產品中心Product Navigation
熱門產品Hot products
解決方案Solution
聯系方式Contact information
產品概述:
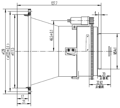
名稱:100mm熱成像鏡頭
型號:HRC-TL100
產品尺寸圖:

|
光學系統參數表 |
|
|
焦距(f‘) |
100 |
|
光圈(F) |
1.0 |
|
水平視場角 |
5.5° |
|
垂直視場角 |
4.1° |
|
全視場角 |
6.9° |
|
工作波段 |
8~12um |
|
調焦距離 |
∞~5米 |
|
電調焦 |
支持 |
|
探測器類型 |
384*288(□25um) |
|
像面尺寸 |
9.6*7.2(Φ12) |
相關產品
New products
了解更多>